本润股份
股票代码:870887
首页
走进本润
关于本润
企业资质
合作伙伴
谐波减速器
BHS系列谐波减速器
BCS\BCSG系列谐波减速器
BHD系列谐波减速器
BCD系列谐波减速器
工业机器人
口罩机
自动锁螺丝机
四轴工业机器人
六轴工业机器人
非标定制机器人
应用案例
行业案例
资料下载
技术支持
新闻中心
本润新闻
行业新闻
常见问题
加入我们
招贤纳士
项目招商
联系我们
中文
中文
English
BHS系列谐波减速器
BCS\BCSG系列谐波减速器
BHD系列谐波减速器
BCD系列谐波减速器
编号规则
搜索
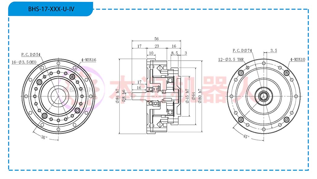
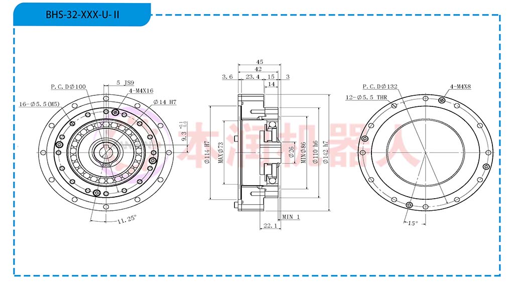
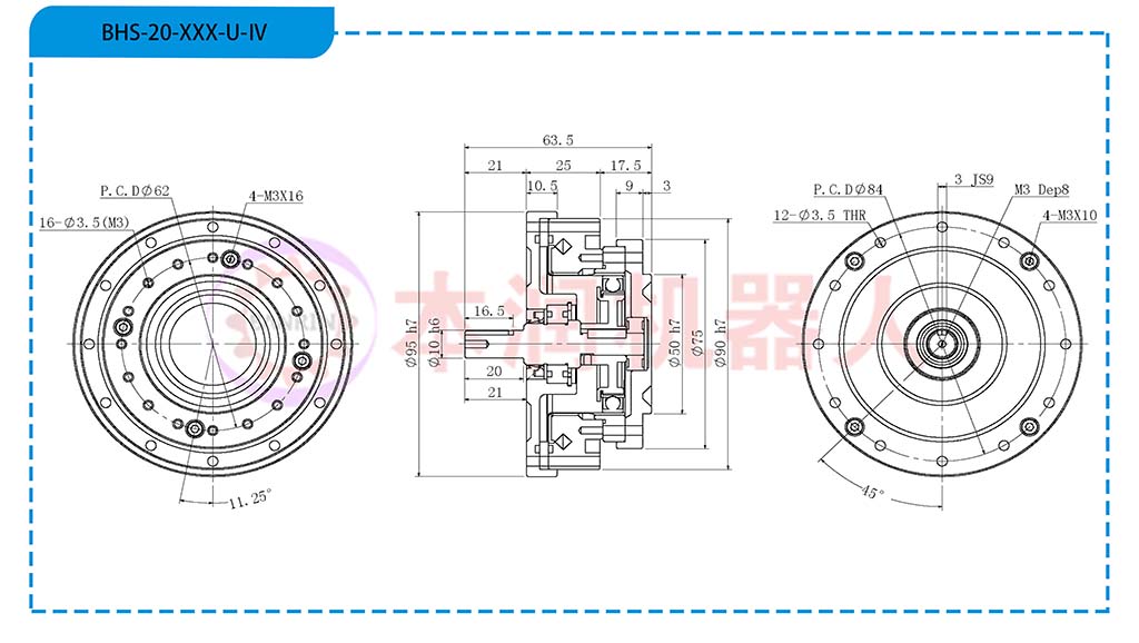
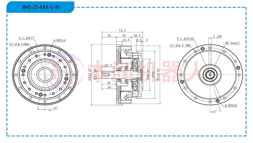
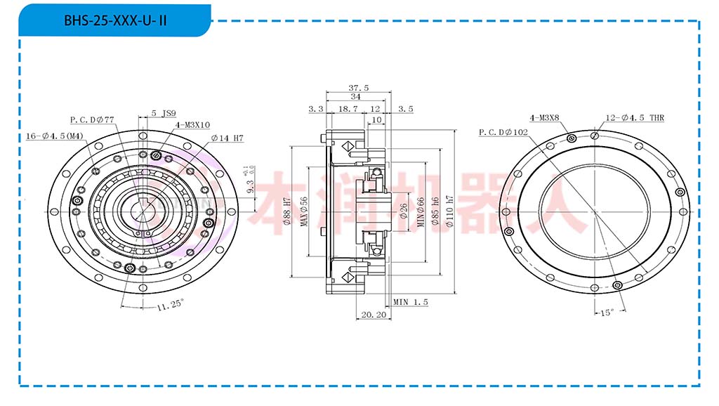
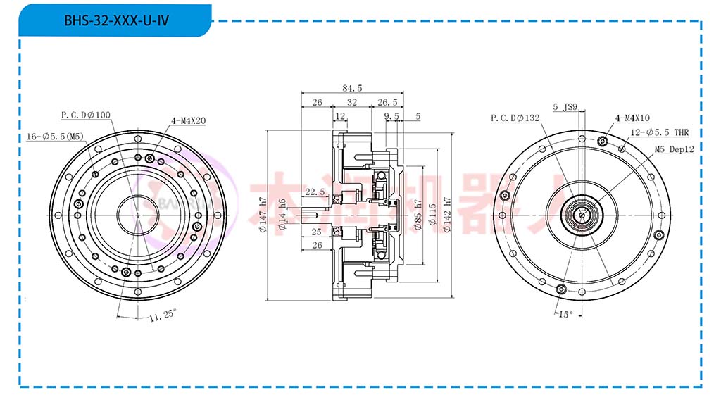
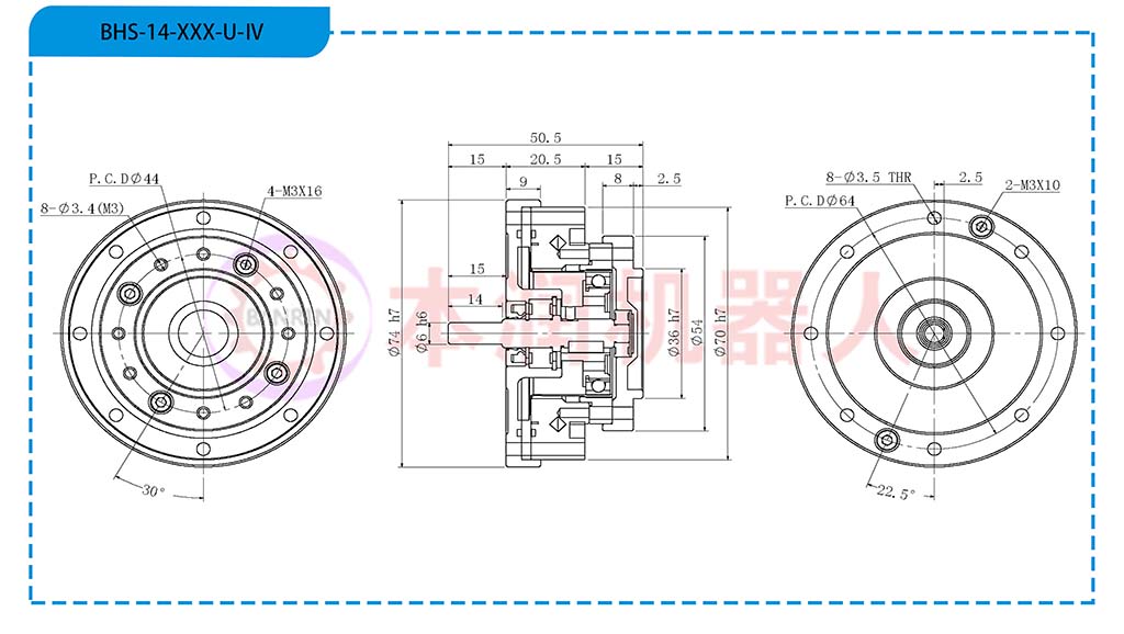
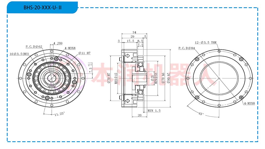
BHS系列谐波减速器
产品名称:BHS系列谐波减速器
共四种连接方式
型号大小为:14\17\20\25\32\40\45
减速比为:30\50\80\100\120\160
产品介绍:BHS型谐波减速器系列
特点:1.大口径中空孔2.结构简洁紧凑 3.高刚性 4.高转矩 5.无齿间隙 6.良好的定位与旋转进度 7.输入与输出同轴
谐波减速器图纸下载
BHS系列谐波减速器型号
BHS-I(14~45)
BHS-II(14~45)
BHS-III(14~45)
BHS-IV(14~45)
返回
关于我们
新闻中心
产品中心
服务支持
集团概况
公司客户
招贤纳士
项目招商
本润新闻
行业新闻
常见问题
常见问题
资料下载
在线预订
谐波减速器
工业机器人
联系我们
服务热线:
企业邮箱:
企业网址:
地 址:东莞市松山湖园区工业北四路5号1栋504室
本润机器人
+86-0769-26626359
让本润机器人谐波减速器走向世界
粤ICP备2025484282号
版权所有©东莞市本润机器人科技股份有限公司
本润机器人 与科技同行
18038284215 13553804321
zgbr@zgbr.net
http://www.zgbenrun.com/